Jako doświadczony praktyk wiem, że awaryjne uruchomienie ciężarówki z rozładowanym akumulatorem to sytuacja, która potrafi zaskoczyć każdego kierowcę. W przeciwieństwie do samochodów osobowych, instalacja elektryczna w ciężarówkach jest znacznie bardziej złożona, a błędy mogą prowadzić do bardzo kosztownych uszkodzeń. Ten artykuł dostarczy Ci precyzyjnych, krok po kroku instrukcji, jak bezpiecznie odpalić silnik ciężarówki za pomocą kabli rozruchowych, uwzględniając specyfikę instalacji 24V i różnice w stosunku do aut osobowych, co pozwoli Ci uniknąć kosztownych pomyłek i szybko wrócić na trasę.
Bezpieczne odpalanie ciężarówki z kabli kluczowe zasady dla instalacji 24V
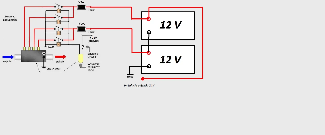
- Ciężarówki posiadają instalację 24V, składającą się z dwóch akumulatorów 12V połączonych szeregowo, co wymaga odmiennej procedury niż w autach osobowych (12V).
- Niezbędne są specjalne kable rozruchowe o dużym przekroju (min. 35mm²) i wysokim natężeniu (>1000A), ponieważ kable do osobówek są nieodpowiednie i niebezpieczne.
- Kluczowa jest prawidłowa kolejność podłączania kabli: Czerwony (+) do (+) dawcy, następnie (+) do (+) biorcy; Czarny (-) do (-) dawcy, a ostatnia klema do masy biorcy (z dala od akumulatora).
- Największe zagrożenia to odwrotna polaryzacja, która niszczy alternatory i sterowniki, oraz próba odpalenia ciężarówki 24V z auta 12V, co jest nieskuteczne i ryzykowne.
- W nowoczesnych ciężarówkach (Euro 5/6) błędy mogą prowadzić do bardzo kosztownych uszkodzeń zaawansowanej elektroniki.
- W przypadku braku drugiej ciężarówki lub wątpliwości, rozważ użycie boostera 24V lub wezwanie mobilnego serwisu.

Różnice w odpalaniu ciężarówki z kabli
Kluczowa różnica: instalacja 24V vs 12V i jej konsekwencje
Zacznijmy od podstaw, które są absolutnie kluczowe. Większość samochodów osobowych, do których jesteśmy przyzwyczajeni, pracuje na instalacji elektrycznej o napięciu 12V. Natomiast zdecydowana większość ciężarówek w Europie, w tym w Polsce, wykorzystuje instalację 24V. Ta podwójna wartość napięcia to nie tylko większa moc, ale przede wszystkim zupełnie inna konfiguracja i wymagania dotyczące bezpieczeństwa i sprzętu. Ignorowanie tej różnicy to prosta droga do poważnych uszkodzeń, a nawet zagrożenia dla zdrowia.
Dwa akumulatory w ciężarówce: jak są połączone i co to oznacza dla Ciebie?
Instalacja 24V w ciężarówce jest realizowana poprzez połączenie dwóch standardowych akumulatorów 12V. Są one połączone szeregowo, co oznacza, że plus jednego akumulatora jest połączony z minusem drugiego, a pozostałe wolne bieguny (+ i -) tworzą instalację 24V. Dla Ciebie, jako kierowcy chcącego awaryjnie uruchomić pojazd, oznacza to, że musisz być świadomy, iż nie podłączasz się do pojedynczego akumulatora 12V, lecz do całego systemu 24V. Próba podłączenia się do jednego akumulatora 12V, bez odpowiedniej wiedzy i rozłączenia szeregowego, może prowadzić do przeciążenia i uszkodzenia zarówno akumulatora, jak i kabli, a w konsekwencji do awarii całej instalacji.
Ryzyko uszkodzenia elektroniki w nowoczesnych ciągnikach siodłowych (Euro 5/6)
W dzisiejszych czasach ciężarówki to prawdziwe centra technologiczne. Pojazdy spełniające normy Euro 5 czy Euro 6 są naszpikowane zaawansowaną elektroniką sterownikami silnika (ECU), systemami AdBlue, systemami bezpieczeństwa i komfortu. Właśnie dlatego błędy popełnione podczas awaryjnego rozruchu z kabli mogą być niezwykle kosztowne. Odwrotna polaryzacja, zbyt cienkie kable, czy próba odpalenia z niewłaściwego źródła napięcia to prosta droga do uszkodzenia delikatnych podzespołów. Naprawa lub wymiana takich elementów, jak alternator czy sterowniki, to wydatek rzędu kilku, a nawet kilkunastu tysięcy złotych. Warto o tym pamiętać i działać z najwyższą ostrożnością.

Jak wybrać odpowiednie kable rozruchowe do ciężarówki
Grubość ma znaczenie: dlaczego przekrój przewodu jest krytyczny?
To jeden z najważniejszych aspektów, o którym wielu zapomina. Silnik ciężarówki, zwłaszcza duży diesel, potrzebuje ogromnego prądu rozruchowego. Kable do aut osobowych, nawet te "mocne", po prostu nie są w stanie sprostać temu zadaniu. Zbyt cienkie kable do ciężarówki mogą się przegrzać, stopić izolację, a w skrajnych przypadkach nawet spowodować pożar. Dlatego do ciężarówki potrzebujesz kabli o znacznie większym przekroju minimum 35mm², a najlepiej 50mm² lub więcej. Muszą być one przystosowane do przewodzenia prądu o natężeniu znacznie przekraczającym 1000A. Pamiętaj, że oszczędzanie na kablach to proszenie się o kłopoty.
Na co zwrócić uwagę przy zakupie? Długość, jakość zacisków i izolacji
- Długość: Kable powinny być wystarczająco długie, aby swobodnie połączyć akumulatory obu pojazdów, nawet gdy nie stoją one idealnie obok siebie. Zazwyczaj potrzebujesz kabli o długości co najmniej 4-6 metrów.
- Jakość zacisków (klem): Zaciski muszą być solidne, wykonane z miedzi lub miedziowanej stali, z mocnymi sprężynami, które zapewnią pewny kontakt z biegunami akumulatora. Słabe zaciski mogą się przegrzewać i nie zapewnić odpowiedniego przepływu prądu.
- Trwała izolacja: Izolacja kabli powinna być gruba, elastyczna i odporna na uszkodzenia mechaniczne, niskie temperatury oraz działanie olejów i paliw. Dobrej jakości izolacja to podstawa bezpieczeństwa.
Czy kable z marketu do samochodu osobowego nadają się do ciężarówki? (Odpowiedź brzmi: nie)
Absolutnie nie! To jest błąd, który widziałem już wielokrotnie i zawsze kończy się źle. Kable przeznaczone do samochodów osobowych (12V) są po prostu za cienkie i nie są przystosowane do ogromnego prądu rozruchowego, jaki jest potrzebny w ciężarówce (24V). Ich użycie jest nie tylko nieskuteczne ciężarówka prawdopodobnie i tak nie odpali ale przede wszystkim niebezpieczne. Mogą się przegrzać, stopić, a nawet zapalić, stwarzając zagrożenie pożarowe. Zawsze inwestuj w odpowiednie kable przeznaczone do pojazdów ciężarowych. To nie jest miejsce na kompromisy.

Bezpieczne podłączanie kabli rozruchowych do ciężarówki: instrukcja
Przejdźmy teraz do sedna, czyli do samej procedury podłączania kabli. Pamiętaj, że precyzja i przestrzeganie kolejności są tutaj kluczowe. Nie spiesz się i zawsze dwukrotnie sprawdź każde połączenie. To pozwoli Ci uniknąć kosztownych błędów i zapewni bezpieczeństwo.
Przygotowanie pojazdów: kluczowe zasady bezpieczeństwa przed rozpoczęciem
- Upewnij się, że oba pojazdy są wyłączone. Silniki, światła, radio wszystko powinno być wyłączone.
- Zaciągnij hamulce ręczne w obu pojazdach.
- Włącz światła awaryjne w obu pojazdach, aby zwiększyć widoczność, zwłaszcza jeśli jesteś na poboczu.
- Otwórz maski lub osłony akumulatorów w obu pojazdach i zlokalizuj bieguny dodatnie (+) i ujemne (-). W ciężarówce szukaj głównych biegunów 24V, a nie poszczególnych akumulatorów 12V.
- Upewnij się, że kable rozruchowe są w dobrym stanie, bez uszkodzeń izolacji czy klem.
Schemat podłączenia: precyzyjna kolejność dla instalacji 24V (Czerwony +, Czarny -)
To jest moment, w którym nie ma miejsca na pomyłki. Postępuj dokładnie według poniższych kroków:
- Weź czerwony kabel (+) i podłącz jedną klemę do dodatniego bieguna (+) sprawnego pojazdu (dawcy).
- Drugi koniec czerwonego kabla (+) podłącz do dodatniego bieguna (+) rozładowanego akumulatora w ciężarówce (biorcy). Upewnij się, że klemy są mocno zaciśnięte.
- Weź czarny kabel (-) i podłącz jedną klemę do ujemnego bieguna (-) sprawnego pojazdu (dawcy).
- Drugi koniec czarnego kabla (-) podłącz do masy pojazdu biorcy. To jest bardzo ważne! Wybierz niemalowany element ramy, blok silnika lub specjalny punkt masowy, jeśli jest oznaczony. Zrób to z dala od akumulatora i układu paliwowego, aby zminimalizować ryzyko iskrzenia w pobliżu wydzielającego się wodoru.
Gdzie podpiąć ostatnią klemę? Znajdowanie bezpiecznego punktu masowego
Podłączenie ostatniej, ujemnej klemy do punktu masowego w pojeździe biorcy, a nie bezpośrednio do ujemnego bieguna akumulatora, jest kluczowe dla Twojego bezpieczeństwa. Akumulatory podczas ładowania mogą wydzielać wodór, który w połączeniu z tlenem tworzy mieszankę wybuchową. Iskrzenie, które często występuje przy ostatnim podłączeniu, mogłoby doprowadzić do wybuchu. Podłączając klemę do niemalowanego elementu metalowego (np. bloku silnika, elementu ramy), przenosisz potencjalne iskrzenie z dala od źródła wodoru. Upewnij się, że punkt masowy jest czysty i zapewnia dobry kontakt elektryczny.
Procedura uruchamiania silnika "dawcy" i "biorcy": co i kiedy robić?
- Po prawidłowym podłączeniu wszystkich kabli, uruchom silnik pojazdu dawcy. Pozostaw go pracującego na wolnych obrotach przez około 5-10 minut. Pozwoli to na wstępne podładowanie rozładowanych akumulatorów w ciężarówce.
- Po kilku minutach spróbuj uruchomić silnik ciężarówki (biorcy). Jeśli nie odpali od razu, nie kręć rozrusznikiem dłużej niż 10-15 sekund. Odczekaj około minuty i spróbuj ponownie. Jeśli po kilku próbach ciężarówka nadal nie odpala, może to oznaczać poważniejszy problem niż tylko rozładowany akumulator.
- Gdy silnik ciężarówki odpali, pozostaw oba silniki pracujące na wolnych obrotach przez kolejne 5-10 minut. To pozwoli na dalsze podładowanie akumulatorów biorcy.
Prawidłowa kolejność odłączania kabli po udanym rozruchu
Odłączanie kabli jest równie ważne jak ich podłączanie, aby uniknąć iskrzenia i uszkodzeń. Postępuj w odwrotnej kolejności:
- Odłącz czarny kabel (-) od masy pojazdu biorcy.
- Odłącz drugi koniec czarnego kabla (-) od ujemnego bieguna (-) pojazdu dawcy.
- Odłącz czerwony kabel (+) od dodatniego bieguna (+) pojazdu biorcy.
- Odłącz drugi koniec czerwonego kabla (+) od dodatniego bieguna (+) pojazdu dawcy.
Po odłączeniu wszystkich kabli, pozwól ciężarówce pracować przez co najmniej 30 minut, aby alternator mógł odpowiednio podładować akumulatory.

Jak uniknąć kosztownych błędów przy awaryjnym rozruchu ciężarówki
Moje doświadczenie pokazuje, że pośpiech i brak wiedzy to najwięksi wrogowie podczas awaryjnego rozruchu. Warto poświęcić chwilę na zrozumienie potencjalnych zagrożeń, aby uniknąć znacznie większych problemów i wydatków. Poniżej przedstawiam najczęstsze i najbardziej niebezpieczne błędy, które niestety często się zdarzają.
Odwrotna polaryzacja: fatalna pomyłka, która niszczy alternatory i komputery
To jest chyba najpoważniejszy błąd, jaki możesz popełnić. Pomylenie biegunów, czyli podłączenie plusa do minusa i na odwrót, to niemal gwarancja zniszczenia. Konsekwencje mogą być katastrofalne: od spalenia bezpieczników, przez uszkodzenie alternatora, aż po zniszczenie drogich sterowników elektronicznych (ECU) w obu pojazdach. Naprawa takich usterek to często wydatek liczony w tysiącach złotych. Zawsze, ale to zawsze, potrójnie sprawdź bieguny przed podłączeniem klem. Czerwony to plus (+), czarny to minus (-). Nie ma tu miejsca na zgadywanie.
Próba odpalenia ciężarówki (24V) z auta osobowego (12V): dlaczego to zły pomysł?
Wielu kierowców, widząc inną ciężarówkę, myśli o "pożyczeniu" prądu z auta osobowego, które akurat jest pod ręką. To jest bardzo zły pomysł i muszę to jasno powiedzieć: bezpośrednie odpalenie ciężarówki 24V z samochodu osobowego 12V jest niemożliwe i niebezpieczne. Instalacje mają różne napięcia, a próba ich połączenia może doprowadzić do przeciążenia i uszkodzenia instalacji elektrycznej w samochodzie osobowym, a ciężarówka i tak nie odpali. Teoretycznie można by próbować podładować jeden z akumulatorów 12V w ciężarówce (po rozłączeniu ich z szeregu), ale jest to procedura skomplikowana, czasochłonna i wymaga specjalistycznej wiedzy. W warunkach polowych jest to praktycznie niewykonalne i generalnie odradzane. Zawsze szukaj dawcy z instalacją 24V lub specjalistycznego boostera.
Iskrzenie przy akumulatorze: zagrożenie wybuchem i jak mu zapobiec
Jak już wspomniałem, akumulatory podczas pracy i ładowania wydzielają wodór. Gaz ten jest bezwonny, bezbarwny, ale za to łatwopalny i wybuchowy. Iskrzenie w pobliżu akumulatora, zwłaszcza podczas podłączania lub odłączania ostatniej klemy, może spowodować zapłon wodoru i w konsekwencji poważny wybuch. Dlatego tak ważne jest, aby ostatnią klemę (czarny kabel, minus) podłączać do punktu masowego pojazdu biorcy, z dala od akumulatora i układu paliwowego. To minimalizuje ryzyko, że ewentualna iskra znajdzie się w bezpośrednim sąsiedztwie wydzielającego się wodoru. Zawsze zachowuj ostrożność i unikaj dotykania klemami, gdy są już podłączone do akumulatora.
Alternatywne metody rozruchu ciężarówki, gdy brak dawcy
Co zrobić, gdy nie masz pod ręką drugiej ciężarówki, a Twój pojazd odmawia posłuszeństwa? Na szczęście istnieją alternatywne rozwiązania, które mogą uratować sytuację. Warto je znać, aby być przygotowanym na każdą ewentualność.
Boostery i urządzenia rozruchowe 24V: profesjonalne rozwiązanie problemu
Dla wielu kierowców i firm transportowych profesjonalne boostery lub urządzenia rozruchowe 24V to absolutna podstawa wyposażenia. Są to przenośne akumulatory o dużej pojemności, zaprojektowane specjalnie do awaryjnego uruchamiania pojazdów ciężarowych. Ich zalety są nieocenione: są bezpieczne, łatwe w użyciu (jeśli przestrzega się instrukcji), eliminują potrzebę posiadania drugiego pojazdu dawcy i minimalizują ryzyko uszkodzenia elektroniki, ponieważ dostarczają stabilne napięcie. To inwestycja, która szybko się zwraca, zwłaszcza w trasie, gdzie czas to pieniądz.
Czy warto próbować ładować akumulatory pojedynczo?
Pytanie o ładowanie akumulatorów pojedynczo (12V) w ciężarówce pojawia się często. Teoretycznie jest to możliwe, ale w praktyce jest to skomplikowane, czasochłonne i zazwyczaj odradzane w warunkach polowych. Aby to zrobić bezpiecznie, musiałbyś najpierw rozłączyć akumulatory z szeregu, co wymaga wiedzy o instalacji elektrycznej Twojej ciężarówki i często specjalnych narzędzi. Następnie każdy akumulator musiałby być ładowany osobno prostownikiem 12V. Po naładowaniu trzeba by je ponownie połączyć w szereg. Ryzyko pomyłki i uszkodzenia jest wysokie, a cała operacja zajmuje sporo czasu. Dlatego w większości przypadków lepiej poszukać boostera 24V lub innej ciężarówki.
Przeczytaj również: Od kiedy zakaz wyprzedzania ciężarówek? Kary, wyjątki i nowości
Kiedy jedynym wyjściem jest wezwanie mobilnego serwisu?
Są sytuacje, w których najlepiej jest po prostu zaufać profesjonalistom. Wezwanie mobilnego serwisu jest najbezpieczniejszym i najbardziej rozsądnym rozwiązaniem, gdy:
- Nie masz odpowiedniego sprzętu (np. właściwych kabli 24V lub boostera).
- Brakuje Ci doświadczenia i obawiasz się popełnienia błędu.
- Obawiasz się uszkodzenia wrażliwej elektroniki w nowoczesnej ciężarówce.
- Po kilku próbach ciężarówka nadal nie odpala, co wskazuje na poważniejszy problem niż tylko rozładowany akumulator.
- Jesteś w miejscu, gdzie bezpieczeństwo manewrowania pojazdami jest ograniczone (np. na ruchliwej drodze, w ciasnym miejscu).
Pamiętaj, że koszt wezwania serwisu jest często niższy niż potencjalne koszty naprawy uszkodzonej elektroniki lub alternatora. Bezpieczeństwo i spokój ducha są bezcenne.
